數字示波器是任何設計、制造和維修電子設備的工程師的必備儀器。電子工程師們在日常工作中利用操作方便、測量精準的數字示波器觀測各種模擬、數字信號,發現問題,解決問題,面對當今的各種設計,調試的挑戰。如何選用性能優異、價格合理的儀器是每位主管和工程師要面對的問題。
MSO/DS2000A系列數字示波器是帶寬70MHz ~ 300MHz,采樣率高達2GSa/s,同時兼具深存儲深度和高波形捕獲率的高性能通用數字示波器。MSO2000A 具備2+16個通道,是針對嵌入式設計和測試領域的應用而推出的高性能混合信號示波器。
MSO/DS2000A系列采用了當今的許多先進技術和工藝,整體性能達到國際先進水平,是針對最廣泛的數字示波器市場包括通信,半導體,計算機,航空航天國防,儀器儀表,工業電子,消費電子,汽車電子,現場維修,研發/教育等眾多領域的通用設計/調試/測試的需求而設計的示波器。
產品特性
帶寬達300MHz,標配50Ω輸入選擇
2個模擬通道,16個數字通道(MSO)
寬范圍,低底噪,垂直靈敏度范圍:500uV/div ~10 V/div
實時采樣速率高達2G Sa/s 數字通道達1GSa/s(MSO);
標配存儲深度達14Mpts ,選配達56Mpts數字通道標配達14Mpts,選配達28Mpts;
波形捕獲率達50,000個波形每秒
標配多達6.5萬幀的硬件實時波形不間斷錄制功能和波形分析功能
獨創的UltraVision技術
內置雙通道,25 MHz信號源(MSO/DS2000A-S)
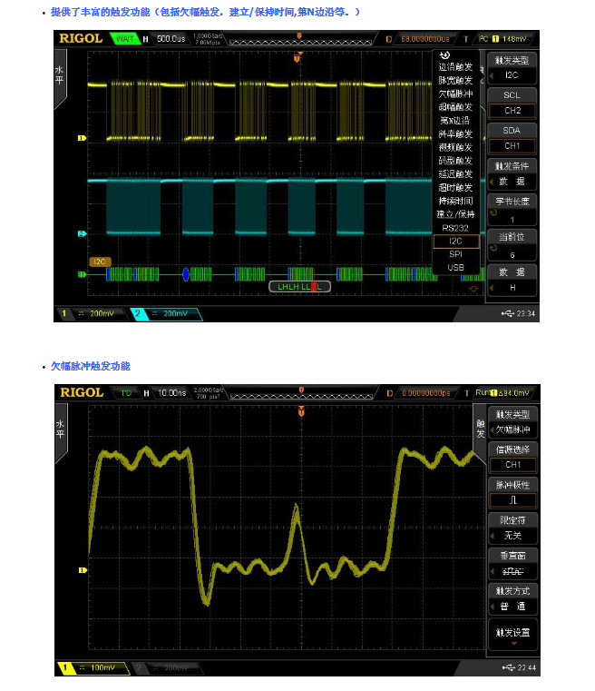
豐富的觸發和總線的解碼功能(并行,RS232,I2C,SPI,CAN)
豐富的接口:USB Host&Device,LAN(LXI),AUX, USB-GPIB(可選)
新穎精巧的工業設計,便捷的操作
8英寸WVGA(800×480) ,256級波形灰度顯示









